湖北大庆万(wàn)美塑料制造(zao)有限公司(AI智(zhi)能站),歡迎您(nín)! 今天是:



KT-Ⅰ空氣(qi)提升器
Air elevating engine
The engine is widely used in building material, cement, aluminum, copper, mining and light industries etc. Powder material can be transferred into the storage or material-air separator through the vertical pipe, when inflate and eduction phenomenon wouldn’t happen. The high of storage is from 30 meter to 100 meter. It is suitable for 1~15t/h system.
結構(gòu)特點:
Structure characteristic:
該産品(pin)整體為鋼制(zhì)焊接,全部采(cǎi)用優質鋼闆(pan)焊接而成,結(jié)構🐕緊湊,性能(néng)科學合理,使(shǐ)用壽命長,安(an)裝方便,能很(hen)好的滿足工(gong)況。空氣提升(shēng)器改進了傳(chuan)統的🥰進氣方(fāng)式,采用一個(ge)氣🔞源分二路(lù)進氣的方式(shì)。一路🆚由控制(zhi)蝶閥進入氣(qì)室,進入氣📱室(shi)的高壓氣體(ti)通過⚽沸騰闆(pan)使上面的物(wù)料活躍跳動(dong)發生🈲位移。另(ling)一路🤞由吹管(guǎn)向上直⛹🏻♀️吹,經(jing)過特定科📧學(xue)設計的噴口(kǒu)形成㊙️強勁有(you)力的高壓氣(qì)流把💃物料帶(dai)着向上位移(yi),使物料到達(dá)一定高度後(hou)💃🏻,經氣料分離(li)器沉✂️積,氣體(ti)向上排出。
This series product is welded in fine steel, having the features of compact structure, logical and scientific performance, long life, convenient installation and can meet the working condition very well. The traditional air-entry type has been improved. Now the type is that one air headstream is divided into two-way air entry. The one enters the gas-room through control butterfly valve. The high-pressure gas moves the material on the boil plate. The other gas is blown through the pipe. The gas is translated to high-temperature through especially scientific designed nozzle to move the material upward. The material is sediment through material-gas separator after it reaches a certain height and gas is let out upwards.
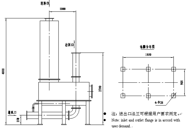
KT-Ⅰ外(wài)形圖及連接(jie)尺寸:
Appearance figure and joint dimension:

湖(hu)北大庆万美(mei)塑料制造有(you)限公司(AI智能(neng)站) 版權所有(you) 荊州百捷 技(ji)術支持
地址(zhǐ):荊州市沙市(shi)區十号路 咨(zi)詢熱線:0716-8878286