
FBF-Ⅰ Ⅱ 防爆閥
The valve is widely used in building material, metallurgy, chemical, electric power industries. It is the discharging pressure device in pipe system of compressed, easy-exploding gas.
結(jié)構特點:
Structure characteristic:
防爆閥結(jie)構簡單,由鋼制焊(han)接筒體和防爆閥(fa)片組成。當系統壓(yā)力大于0.1MPa表壓力時(shi),防爆閥片自行破(po)裂,防止✔️系統發生(sheng)爆炸,以保證生産(chǎn)和人身安全。
This valve is made up of steel welded cylinder and anti-exploding valve slice. Its structure is simple. The slice would break itself when the system pressure is above 0.1MPa meter pressure, which can prevent the explosion and protect the production and person’s safety.
性能(néng)參數:
Performance parameter:
使用壓(yā)力 Using pressure | 适用溫度(dù) Suitable temperature | 适用介質 Suitable medium |
≤0.1MPa | ≤80℃ | 壓縮易爆氣體 |
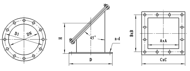
FBF-Ⅰ外(wai)形圖
Appearance figure

FBF-Ⅰ、Ⅱ外形連接尺(chi)寸:
DN(A×A) | D1(B×B) | D(C×C) | H | ||
245 | 220 | 8-Φ12 | 37 | ||
305 | 12-Φ12 | 44 | |||
355 | 400 | 300 | 12-Φ12 | 55 | |
350 | 405 | 450 | 350 | 65 | |
455 | 16-Φ14 | ||||
550 | 94 | ||||
500 | 20-Φ14 | 108 | |||
600 | 655 | 700 | 20-Φ14 | 142 | |
755 | 800 | 20-Φ14 | 180 | ||
800 | 900 | 202 |
•
•